自动定量包装秤传感器原理接线

传感器的连接

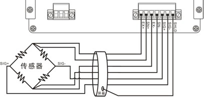
AK800A包装秤控制器需外接电阻应变桥式传感器,按下图方式连接传感器到仪表。当选用四线制传感器时,必须将仪表的SN+EX+短接,SN-EX-短接。

传感器电缆应尽量远离其他电缆,特别是不要与其它电缆捆扎在一起。

传感器接线图

六线接法

EX+

SN+

EX-

SN-

SIG+

SIG-

屏蔽线

四线接法

EX+

EX-

SIG+

SIG-

屏蔽线

EX+:电源正  EX-:电源负SN+:感应正  SN-:感应负SIG+:信号正  SIG-:信号负

豫ICP备14013557号-7
手机访问
手机扫一扫访问移动版
微信
使用微信扫一扫关注
在线客服
专业的客服团队,欢迎在线资讯
客服时间: 8:00 - 21:00
在线客服
在线客服